Objetivos
Material requerido.
![]() |
Un cafecito y 12 minutos |
Galgas extensométricas
Llega un momento en la vida de cualquier ingeniero, especialmente si te dedicas a las especialidades de mecánica, aeronáutica, puentes o estructuras que vas a necesitar medir de algún modo los esfuerzos que sufre un cierto material. El objetivo es sencillamente responder a la inquietante pregunta que se hacen todos los constructores: ¿Resistirá el esfuerzo?
Que se te caiga un puente o una grúa, suele acabar prestando declaración en los juzgados de guardia y toda la gente te mira mal. No es ninguna broma. Especialmente si se da la desgracia de haber heridos implicados. Por eso ,en 1938 se llegó a una invención y solución elegante y que aun
hoy en día son es imprescindible en muchas especialidades: Las galgas extensométricas.
¿Las que ha dicho? Si. Mis amigos se suelen reír de mi cuando hago comentarios sobre las galgas (Y muchas otras cosas de freakys), pero a pesar de tan extraño nombre, son de lo más útiles en el mundo real, porque nos permiten hacer mediciones de esfuerzos de tracción o compresión, momentos de torsión y varias otras cositas que no serian posibles de otra forma, y por eso ha llegado el momento que todos esperabais: ¿Qué es una galga (Strain Gauge en inglés) para que sirve y como se usa?
Una galga extensométrica (Strain Gauge) es básicamente una resistencia variable (Esto ya os suena más familiar) que se pega aun cierto material solidariamente y que al ser estirada o comprimida modifica su resistencia. Suelen tener una pinta rara como esto:


Fíjate que es un filamento metálico conductor, que, al ser estirado, en dirección de los hilos, alarga
alarga el filamento haciendo que la resistencia aumente y si se comprime, la resistencia disminuye. Conectando un par de hilos a las bornas plateadas, podemos leer las variaciones de tensión en la resistencia cuando se somete la galga a esfuerzos.La primera galga de arriba, mide el esfuerzo en una única dirección y la segunda, mide esfuerzos en direcciones complementarias a 90º.
relacionado a través del modulo de Poisson, El empleo de dos galgas a 90º permite
realizar compensaciones en las medidas que mejoran la linealidad y/o verificar si existen
otras cargas de flexión, torsión, presión etc, que serán objeto de otro tutorial.
diversos tipos de cargas. Las mas habituales son las de “Constantan” (En serio!!!),
aleación de 60% de niqel y 40% de cobre, que tiene la ventaja de que su resistencia no
varia con la temperatura y por tanto son “autocompensadas”.
verificación de tensiones residuales … La selección de las galgas es un arte en si mismo.
<
Ya hemos hecho algún tutorial para medir las pequeñas variaciones de conductividad de una fotorresistencia LDR, y si recordáis usábamos un divisor de tensión para medirla. ¿Por qué razón no la medimos directamente?

Básicamente, porque tenemos ventajas con un divisor. Fíjate en la imagen superior. Si R1 y R2 tiene un valor aproximadamente igual, la tensión Vout que medimos será la mitad de Vin y en seguida apreciaremos cualquier cambio si R2 varia su resistencia.
Dada la mínima variación de resistencia con la deformación, Las galgas se suelen leer siempre
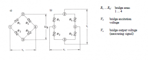
mediante un puente de Wheatstone, este es un invento eléctrico de un tal Christie en 1832, que el señor
Wheatstone (Si, trigo-piedra … igual era descendiente de un molinero) perfeccionó en 1843 para
medir resistencias eléctricas:

La figura (a) es la que siempre nos pintaban en clase de electricidad y es la representación estándar para el puente de Wheatstone, pero tiene el inconveniente de despistar a quien no está acostumbrado a leer circuitos eléctricos. Por eso me gusta más la forma (b) porque es mas evidente que estamos usando dos divisores de tensión enfrentados. Aplicamos la tensión en 2 y el GND en 3. Ahora en lugar de medir la tensión de 1 y 4 contra tierra, la medimos entre sí.
¿Por qué algo tan extraño? Primero, porque si el puente esta balanceado, R1 = R4 y R2 = R3, la tensión medida entre 1 y 4 será cero. Escomo decir que si los dos divisores de tensión son idénticos no habrá diferencia de voltaje entre 1 y 4. Una perogrullada.
Pero si alguna de las resistencias varía ligeramente, el puente se descompensa y aparece tensión entre 1 y 4, es fácil demostrar que depende de la tensión de entrada y de la relación de las demás resistencias con la que medimos.
<
Por eso, si una de las resistencias es variable, una galga, podemos medir directamente el valor de esa resistencia en cada instante y detectar pequeñas variaciones a lo largo del tiempo. Un puente de Wheatstone se puede usar para dos cosas: Medir una resistencia con precisión o medir la tensión de desequilibrio del puente como indicador de algo (Ya hablaremos)
Un ejemplo clásico de medir variaciones de resistencias mínimas, las encontramos en las mediciones de temperatura mediante termopares, que es básicamente el contacto de dos metales diferentes. Cuando hay variaciones de temperatura, aparece una tensión espontanea entre ellos, que es proporcional a la temperatura. Leyendo esa mínima variación de tensión, y conociendo los metales usados, podemos calcular la temperatura con una precisión sorprendente. Y para leerlas, necesitamos un puente de Wheatstone.

Hay galgas de todos los tipos y colores dependiendo de lo que quieras medir. Puede ser deformación, torsión, presión, compresión, estiramiento e incluso presión de gases. Dependiendo de su destino puedes encontrar en el mercado un sinfín de diseños especializados en medir lo que sea. El mundo está lleno de gente ingeniosa pensando y han tenido 150 años para idear métodos de medir cosas..
La principal diferencia es que las galgas tiene resistencias estandarizadas generalmente en 350
Ohms, aunque las hay de 120 y 1000 para ciertas aplicaciones, especiales, pero habitualmente se
usa el tercer hilo también para compensaciones de temperatura.
Células de carga
Llegados a esto es bueno indicar que hay dos tipos principales de utilización industrial las galgas
hoy en dia:
prueba o servicio para verificar que se encuentran dentro de márgenes aceptables ….. que no se nos
va a caer encima , vamos. En este caso se coloca una galga en el punto critico y en el aparato de medida se colocan tres resistencias para completar el puente. La lectura recibida no es muy exacta ni compensada pero con precisiones del 1% nos arreglamos (En general una estructura no puede estar nunca cargada por encima de la mitad de su resistencia final,por lo que si las cosas se salen de madre y llegamos al 51% nos suele dar tiempo de salir corriendo.
<
Este es un ejemplo de una celula de carga en flexión bastante bien compensada: :

Si fijo la viga a la estructura por la parte izquierda y coloco un peso en el extremo derecho de la viga, las galgas G1 y G3 se estirarán, pero la G2 y G4 se contraerán. Mínimamente, sí. Pero se
deformarán algo. Si creamos un puente de Wheatstone con las resistencias de las 4 galgas la
tensión en el puente se descompensará fuertemente y lo leeremos con mas facilidad, Tendrá mayor
ganancia de señal porque el puente se comporta como un amplificador de las diferencias , no da un
valor absoluto de resistencia. O sea: la señal será muy potente y además corregida de no
linealidades, efectos térmicos, etc.

Fíjate en la imagen en forma de divisores de tensión paralelos. G1 y G3 se estiran en la cara superior (Suben su resistencia) mientras que G2 y G4 disminuyen al estar en la cara inferior, se comprimen disminuyendo el valor de resistencia. Has conseguido que los dos divisores de tensión se desequilibren de forma máxima y la tensión entere los puntos de medida 1 y 4, aumenta rápidamente.
<
El puente de Wheatstone es una asombrosa muestra de ingenio, para construir un amplificador de tensión, en una época (A mediados del siglo XIX) en la que no existía aún la electrónica y la electricidad era incipiente.
Construir una célula de carga decente no es tarea simple y en el mercado las hay desde las que
tenemos en la tienda Prometec por 5 euros, hasta las usadas para camiones y balanzas de
precisión que podrás encontrar en la web por encima de 150.000 euros (Si quieres ver de que
hablamos y llevarte un susto ¡!! mira HBM en internet). Para colocar bien una galga en una
estructura o célula de carga que quieras monitorizar tienes que pensar en:
la galga perfectamente alineada con metacrilato (Epoxi para mayor duración). Después
soldarle los terminales y amarrarlos bien para que un tiron del cable no te arranque la
galga.
que deba trabajar … si, incluido si es bajo el mar hay recubrimientos especiales.
<
Ámbitos de las Células de carga
Hoy en día las células de carga de diversas sofisticacion, se usan para medir casi todo en la
industria en los supermercados, en el hogar etc, por su precisión y su salida eléctrica que permite
conectarles a cualquier sistema de control, ordenador o facturación de supermercado.
¿Pesaje industrial quiere decir para muchos kilos? Bueno en realidad, casi con seguridad, la
balanza del baño, que te da la mañana cada vez que te subes, utiliza una célula de carga (A no ser
que tengas una antigualla de esas con muelles, en cuyo caso, vendesela a algún museo).
Un colaborador me cuenta que toda la plantilla se quejaba de que la báscula del servicio medico de la
empresa pesaba mal. Procedió a calibrarla entre 20 y 120 kilos e indico en el informe de resultados que “Esta balanza al que esta gordo, le engorda. Y al que esta delgado le adelgaza”.
Esto es típico de la curva de histéresis de los muelles (Y nadie volvió a quejarse ¡!! ). De hecho,
industrial quiere decir los sistemas de pesaje de camiones con carga, sí, pero también las balanzas
del Eroski o Mercadona con las que compras la fruta.
Y desde luego, todas las balanzas de precisión en gramos, utilizan células de carga como estas:
| Tipo de Célula de carga | Descripción |
|---|---|
![]() |
Típicamente, se usan estas células de carga en balanzas colgantes, como las de la pescadería, de forma que la célula monta un puente de Wheatstone midiendo la deformación del brazo central de la S. |
![]() |
Se sujetan a un alzador por un extremo, el de la izquierda, y se atornilla el plato de la balanza a los tornillos e la derecha. Al cargar peso la probeta se deforma hacia abajo y la célula de carga detecta esa variación.
Fíjate en los taladros redondos en la zona central donde van las galgas, que se han realizado para provocar la máxima deformación en la probeta. |
![]() |
Cuando hay que medir pesos importantes Y que pueden colocarse en distintas esquinas de una plataforma (Si. Tu eres un peso importante y puedes) se suelen usar 4 galgas dispuestas en las esquinas de la plataforma de pesaje, y se forma con ellas el puente de Wheatstone. Con toda seguridad tu balanza del baño usa 4 de estas (Por cierto, las balanzas domesticas son la cosa más fácil de hackear si tienes una tarde aburrida) |
Se puede seguir hablando de galgas y tipos y sus aplicaciones de forma interminable, pero como no quiero ponerme pesado, vamos a terminar aquí la introducción a galgas y células de carga.
En la próxima sesión, hablaremos de como hacer una pequeña balanza de precisión con nuestro Arduino o ESP32 y unos pocos elementos más como una típica célula de carga para pesaje, como la que se muestra más arriba. Hasta entonces, un saludo.




